晶振分類
- 晶振系列
- 陶瓷晶振
- 陶瓷濾波器
- 微孔霧化片
- 希華晶體
- 石英晶振
- SMD晶振
- 聲表面諧振器
- NSK晶振
- TXC晶振
- 臺灣加高晶振
- 臺灣鴻星晶振
- 百利通亞陶晶振
- 臺灣泰藝晶振
- AKER晶振
- NKG晶振
- 進口晶振
- KDS晶振
- 精工晶振
- 村田晶振
- 西鐵城晶振
- 愛普生晶振
- 亞陶,嘉碩晶體
- CTS晶體
- 京瓷晶振
- NDK晶振
- 大河晶振
- 瑪居禮晶振
- 富士晶振
- NAKA晶振
- SMI晶振
- NJR晶振
- 移動設備
- 數碼電子
- 通信網絡
- 醫療電子
- 安防GPRS導航
- 汽車電子
- 歐美晶振
- Abracon晶振
- 康納溫菲爾德晶振
- 日蝕晶振
- ECS晶振
- 高利奇晶振
- 格林雷晶振
- IDT晶振
- JAUCH晶振
- Pletronics晶振
- 拉隆晶振
- Statek晶振
- SiTime晶振
- 維管晶振
- 瑞康晶振
- 微晶晶振
- AEK晶振
- AEL晶振
- Cardinal晶振
- Crystek晶振
- Euroquartz晶振
- Fox晶振
- Frequency晶振
- GEYER晶振
- KVG晶振
- ILSI晶振
- Mmdcomp晶振
- MtronPTI晶振
- QANTEK晶振
- QuartzCom晶振
- Quarztechnik晶振
- Suntsu晶振
- Transko晶振
- Wi2Wi晶振
- ACT晶振
- MTI-milliren晶振
- Lihom晶振
- Rubyquartz晶振
- Oscilent晶振
- SHINSUNG晶振
- ITTI晶振
- PDI晶振
- IQD晶振
- Microchip晶振
- Silicon晶振
- Anderson晶振
- Fortiming晶振
- CORE晶振
- NIPPON晶振
- NIC晶振
- QVS晶振
- Bomar晶振
- Bliley晶振
- GED晶振
- FILTRONETICS晶振
- STD晶振
- Q-Tech晶振
- Wenzel晶振
- NEL晶振
- EM晶振
- PETERMANN晶振
- FCD-Tech晶振
- HEC晶振
- FMI晶振
- Macrobizes晶振
- AXTAL晶振
- Sunny晶振
- ARGO晶振
- 石英晶體振蕩器
- 有源晶振
- 溫補晶振
- 壓控晶振
- 壓控溫補晶振
- 恒溫晶振
- 差分晶振
常見問題
更多>>
精工SSP-T7-F石英晶體諧振器,藍牙耳機晶振,貼片晶振,表面貼片音叉型石英晶振SSP-T7-F,精工晶振,石英晶體諧振器,超小型,薄型,質地輕的表面貼片音叉型"Q-SPT7P0327620C5GF"晶體諧振器,具備優良的耐熱性,耐環境特性,符合無鉛標準,"Q-SPT7P0327620C5GF"滿足無鉛焊接的回流溫度曲線要求.精工的品質,選擇精工,精工晶體,精工的體積,SMD編帶型,可應用于高性能自動貼片焊接,被廣泛應用到各種小巧的便攜式消費電子數碼時間產品,環保性能符合ROHS/無鉛標準.是你最精工的放心.
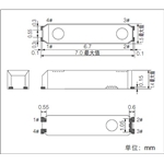
.jpg)
| 項目 | 符號 | SSP-T7-F | 條件 |
| 標準頻率 | f_nom | 32.768kHz | |
| 頻率公差 | f_tol | ±20×10-6,±50×10-6 | |
| 拐點溫度 | Ti | +25 ± 5℃ | |
| 二次溫度系數 | B | (-3.5±1.0)×10-8/℃2 Max | |
| 負載容量 | CL | 7.0pF,9.0pF,12.5pF | |
| 串聯電阻 | R1 | 65kΩ Max | |
| 最大激勵功率 | DLmax | 1 μW | |
| 激勵功率 | DL | 0.1 μW | |
| 并列電容 | Co | 0.8pF 典型值 | |
| 頻率老化 | f_age | ±3 × 10-6 | 25℃ ± 3℃,第一年 |
| 工作溫度 | T_use | -40℃ ~ +85℃ | |
| 儲存溫度 | T_stg | -55℃ ~ +125℃ | 單品裸存 |
.jpg)


精工SOLUTIONS株式會社參與東京大學的綠色ICT項目,作為依據IEEE1888*的新一代通信系統,該系統將整體的空調控制放入視野,實現了對環保的能源運用.精工控股集團各公司向市場投入許多關愛環境的商品.另外,"Q-SPT7P0327620C5GF"還致力于創造能提高顧客的產品環境性能的產品,進而創造出對環境改善做積極貢獻的產品和服務.在綠色商品基準的評估項目中,精工電子有限公司的運營思路是:“通過內置本公司產品,可提高顧客產品的環境性能”、 “能為保護人們的生活環境做貢獻”.








