常見問題
更多>>
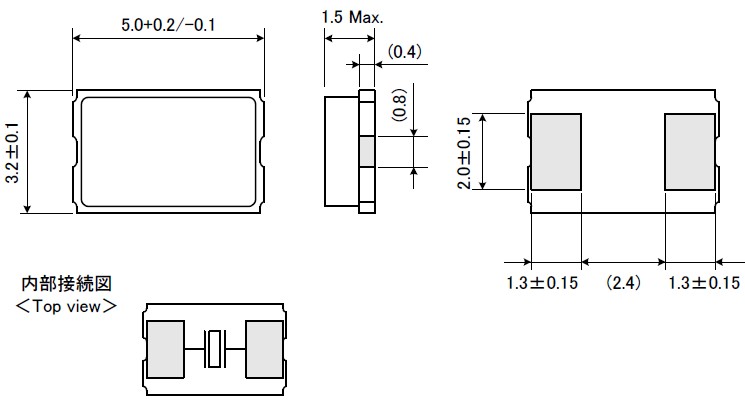
大河FCX-03諧振器,5032石英水晶振動子,無源貼片晶振,小型表面貼片晶振型,是標準的石英晶體諧振器,適用于寬溫范圍的電子數碼產品,家電電器及MP3,MP4,播放器,單片機等領域.可對應8.000MHz以上的頻率,在電子數碼產品,以及家電相關電器領域里面發揮優良的電氣特性,滿足無鉛焊接的回流溫度曲線要求.貼片晶振本身體積小,超薄型石英晶體諧振器,特別適用于有目前高速發展的高端電子數碼產品,因為晶振本身小型化需求的市場領域,產品廣泛用于筆記本電腦,無線電話,衛星導航HDD, SSD, USB, Blu-ray等用途,符合無鉛焊接的高溫回流焊曲線特性.
.jpg)
| 大河晶振規格參數 | FCX-03 |
| 頻率范圍 | 8.0MHZ~60.0MHZ |
| 負載電容 | 8pF,10pF |
| 周波數許容偏差 |
±15ppm,±20ppm,±30ppm,±50ppm
|
| 工作溫度 |
-20℃~+70℃,-30℃~+85℃,
-40℃~+85℃ |
| 儲存溫度范圍 | -40°C~+85°C |
| 激勵功率 | 500μW Max |
| 包裝 | 1000pcs/包 |
| 直列抵抗 | 8.000~60.000MHz:500 Max |
.jpg)



RIVER ELETEC是以生產晶體、晶振為主的電子元器件廠家.尤其在SMD型(表貼型)小型水晶元器件方面一直處于行業領先地位,積累了許多獨特的技術,贏得了“小型元器件找RIVER”的信譽.
自1949年生產電阻以來,公司一貫重視開發具有獨特性能的元器件,經過60多年的發展,RIVER ELETEC現已成為一個以研發和生產晶振為核心業務的日本上市公司,公司產品以不斷追求“小型化、高性能、高品質 ”為目標,服務于手機,IT,數碼,汽車等多個領域,擁有穩定的國內外客戶群體.
公司以提高用戶滿意度為目標,不斷推進集團整體業務的發展.讓用戶滿意,就是讓使用裝有本公司產品的手機、數碼相機等電子設備的廣大用戶滿意.我們深知這一點,因而更加努力向目標邁進.由于小型水晶元器件在信息通信中是必不可少的部件,因此上述理念已深深植入于本公司每個員工的心中.
.jpg)
該曲線代表電容變化與頻率變化(頻率pullability)變化的變化:
如果由頻率計數器測量的頻率比目標頻率高,要增加電容(CL,或Cd以及C 8)的值,以降低頻率到目標頻率,反之亦然.請檢查波形幅度是否改善或沒有經過我們調整頻率.如果它的改善,這表示該電路的原始設計不是調諧到最佳共振點為晶體的情況.該石英晶體諧振器應正常后,諧振點的調整.如果波形幅度甚至沒有提高的頻率非常接近目標頻率,我們可以通過以下三種方法改進:
方法1:降低產品線路外部電容(Cd和CG)的值,并通過晶體具有較低負載電容(CL).
方法2:采用小電阻(RR)的晶體.
方法3:使用鎘和CG的不等價的設計.
方法3:使用鎘和CG的不等價的設計.
我們可以增加鎘(XOUT)的負載電容和降低CG(辛)的負載電容以提高從辛波形幅度將在其后端電路中使用的輸出.我們建議您使用上面的方法來節省成本,保證安全.請用頻率計數器來測量所述晶體,以確保經調整頻率仍然滿足原說明書后的波形的振幅進行了改進.如果頻率不符合規格,請采用晶體合適的CL值為根據您的目標頻率.請采用晶體具有較低的CL如果頻率比目標頻率,反之亦然高得多系統不能正常工作,由于輸出頻率會偏差很大.


大河公司本于‘善盡企業責任、降低環境沖擊、提升員工健康’的理念,執行各項環境及職業安全衛生管理工作;落實公司環安衛政策要求使環境暨安全衛生管理成效日益顯著,不僅符合國內環保、勞安法令要求,同時也能達到國際環保、安全衛生標準. 秉持“污染預防、持續改善”之原則,公司事業廢棄物產出量逐年降低,可回收、再利用之廢棄物比例逐年提高,各項排放檢測數據符合政府法規要求.并由原材料管控禁用或限用環境危害物質與國際大廠對于綠色生產及綠色產品的要求相符.
.jpg)
深圳市兆現電子有限公司聯系人:龔成
QQ:769468702
手機:13590198504
郵箱:zhaoxiandz@163.com
網站:http://www.dhuygw.com/
地址:深圳市南山南頭關口8棟















